Термошкаф настенный ip66 400x350x600 (ШxГxВ) серый (RAL 7035), SRT06-4035.60-GY
Самовывоз:
За МКАД до 10 км - 600руб.
За МКАД свыше 10 км - 300 руб. + 30 руб. за 1км от МКАД
Оплата:
Банковский перевод
Оплата картой онлайн на сайте без комиссии через АО «АЛЬФА-БАНК»

- Описание
- Характеристики
- Отзывы
- Задать вопрос
- Наличие
-
Уличный термошкаф серии SRT06 (всепогодный) Надёжное климатическое решение для защиты электроники на открытых площадках и в помещениях с высокой влажностью
Термошкаф SRT06 предназначен для внешнего навесного монтажа в условиях экстремальных температур, повышенной влажности и агрессивных внешних воздействий. Это законченное инженерное решение, обеспечивающее стабильные условия эксплуатации оборудования 365 дней в году.
Идеально подходит для размещения телекоммуникационного, сетевого, измерительного и контрольно-измерительного оборудования в энергетике, ЖКХ, транспорте, промышленности и городской инфраструктуре.
Ключевые особенности
- Всепогодное исполнение: работает при температуре от –40 °C до +35 °C. По запросу доступна версия УХЛ с диапазоном от –60 °C до +40 °C
- Высокая степень защиты: IP66 — полная защита от пыли и струй воды любого направления
- Антивандальная конструкция: сварной корпус из листовой стали — прочность, долговечность и защита от несанкционированного доступа
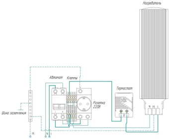
- Эффективный обогрев: встроенный нагревательный элемент мощностью 100–250 Вт (в зависимости от конфигурации), питание 220 В AC ±10%, 50 Гц
- Дополнительное утепление: фольгированный пенофол толщиной 5 мм (до 20 мм по запросу) — снижение теплопотерь и повышение энергоэффективности
- Монтажная панель: внутренняя фальшпанель для удобного крепления оборудования (DIN-рейки, коммутаторы, модемы и др.)
- Герметичные кабельные вводы: 2 шт. PG11 и 2 шт. PG16 — расположены в основании, защищают от протечек и грызунов
- Отсутствие вентиляции: исключает попадание влаги, пыли и осадков внутрь шкафа
- Порошковое покрытие: краска RAL 7035 (серый) — устойчивость к коррозии, УФ-излучению и перепадам температур
Технические характеристики
Параметр Значение Модель SRT06 Тип Всепогодный уличный навесной термошкаф Габариты (Ш×Г×В) 400 × 350 × 600 мм Рабочая температура от –40 °C до +35 °C (по запросу УХЛ: до –60 °C) Влажность воздуха до 80% при 20 °C Система обогрева Нагревательный элемент, 100–250 Вт Питание обогрева 220 В AC ±10%, 50 Гц Теплоизоляция Фольгированный пенофол 5 мм (до 20 мм по запросу) Степень защиты IP66 Конструкция корпуса Сварная из листовой стали Покрытие Порошковая краска, RAL 7035 (стандарт) Монтажная панель Есть (фальшпанель для оборудования) Кабельные вводы 2× PG11, 2× PG16 (в основании, герметичные) Вентиляция Отсутствует Опции и дополнительное оборудование
- Кронштейн для установки на столб: заказывается отдельно — позволяет быстро и надёжно закрепить шкаф на опорах, мачтах, трубах
- Усиленное утепление: пенофол до 20 мм — для регионов с экстремальными зимами
- Терморегулятор: автоматическое управление обогревом по заданному диапазону температур
- Дополнительные кабельные вводы: при необходимости
Области применения
- Телекоммуникации: базовые станции, роутеры, радиомосты
- Промышленность: КИПиА, датчики, контроллеры
- ЖКХ: АСКУЭ, узлы учёта, насосные станции
- Транспорт: видеонаблюдение, светофоры, парковки
- Энергетика: распределительные пункты, РТП, подстанции
- Городская инфраструктура: системы освещения, Wi-Fi, охрана
Преимущества термошкафа SRT06
Это решение — выбор для тех, кто ценит надёжность и долговечность:
- Не боится холода: эффективный обогрев даже при –40 °C
- Не боится дождя и пыли: IP66 и герметичные вводы
- Защита от взлома: сварная сталь — высокая антивандальность
- Готов к работе: всё необходимое — внутри
- Просто монтировать: стандартные точки крепления и вводы
Упаковка и доставка
Каждый термошкаф упакован в прочный картон, перетянутый усиливающими лентами. Все комплектующие собраны в одно место для транспортировки — удобство при перевозке и складировании.
Выгодная возможность купить уличный термошкаф SRT06 в Ультрател!
Мы предлагаем качественные изделия, товар с гарантией, доставку по Москве и всей России.
Принимаем любые формы оплаты. Сделайте заказ уже сегодня! -
Цвет Фиолетовый -
Вы можете задать любой интересующий вас вопрос по товару или работе магазина.
Наши квалифицированные специалисты обязательно вам помогут. -
Склад (г. Москва, ул. Подольских курсантов, д. 3), г. Москва, ул. Подольских курсантов, д. 3 тел: +7 (495) 988-01-14Нет в наличии





































